2002 dodge dakota heater wiring

Vanilla Lab: 2001 Dodge Dakota Blower Motor Not Working we have 9 Images about Vanilla Lab: 2001 Dodge Dakota Blower Motor Not Working like 26 2002 Dodge Ram 1500 4 7 Vacuum Diagram - Wiring Diagram Niche, I have a 2001 durango I pit in 4.7 out of a 2002 dakota and wiring and also I have a 2001 durango I pit in 4.7 out of a 2002 dakota and wiring. Here you go:

Vanilla Lab: 2001 Dodge Dakota Blower Motor Not Working

Vanilla Lab: 2001 Dodge Dakota Blower Motor Not Working vanilla-lab.blogspot.com

resistor fixya stereo defroster nut

Ford Blower Motor Resistor Wiring Diagram - Wiring Diagram

Ford Blower Motor Resistor Wiring Diagram - Wiring Diagram facybulka.me

diagram wiring blower chevy motor suburban 1990 resistor 2500 ford silverado chevrolet 2005

I Have A 2001 Durango I Pit In 4.7 Out Of A 2002 Dakota And Wiring

I have a 2001 durango I pit in 4.7 out of a 2002 dakota and wiring www.justanswer.com

26 2002 Dodge Ram 1500 4 7 Vacuum Diagram - Wiring Diagram Niche

26 2002 Dodge Ram 1500 4 7 Vacuum Diagram - Wiring Diagram Niche dominicluta.blogspot.com

vacuum v10

1997 Dodge Caravan Wiring Diagram

1997 Dodge Caravan Wiring Diagram www.chanish.org

wiring dakota kenworth mainetreasurechest gooddy schematics

2000 Dodge Dakota Wiring Diagram - Electrical Wiring Diagrams For 2008

2000 Dodge Dakota Wiring Diagram - Electrical Wiring Diagrams For 2008 agoodyarnn.blogspot.com

E301RH95 RHEEM ELECTRIC WATER HEATER MANUAL - Auto Electrical Wiring

E301RH95 RHEEM ELECTRIC WATER HEATER MANUAL - Auto Electrical Wiring electrowiring.herokuapp.com

heater water diagram parts wiring electric smith ao rheem thermostat boiler diagrams gas manual throughout sears aosmith

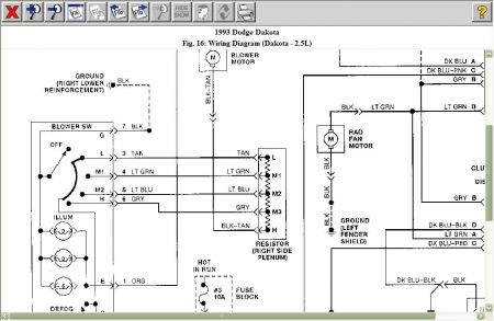
1993 Dodge Dakota Blower Motor: Heater Problem 1993 Dodge Dakota 6...

1993 Dodge Dakota Blower Motor: Heater Problem 1993 Dodge Dakota 6... 2carpros.com

blower motor dakota dodge 1993 resistor heater

Schematic For 2002 Dodge Durango 4 7 Engine - Complete Wiring Schemas

Schematic For 2002 Dodge Durango 4 7 Engine - Complete Wiring Schemas wiring89.blogspot.com

dodge durango wiring sensor diagram 2005 2002 schematic engine o2

1993 dodge dakota blower motor: heater problem 1993 dodge dakota 6.... Vanilla lab: 2001 dodge dakota blower motor not working. Resistor fixya stereo defroster nut