2001 oldsmobile silhouette wiring schematic
Wiring Diagram PDF: 2002 Lesabre Headlight Wiring Diagram we have 9 Pics about Wiring Diagram PDF: 2002 Lesabre Headlight Wiring Diagram like Oldsmobile Alero Fuse Box Diagram, 99 Oldsmobile Alero Engine Diagram - Fuse & Wiring Diagram and also Wiring Diagram PDF: 2002 Lesabre Headlight Wiring Diagram. Here you go:
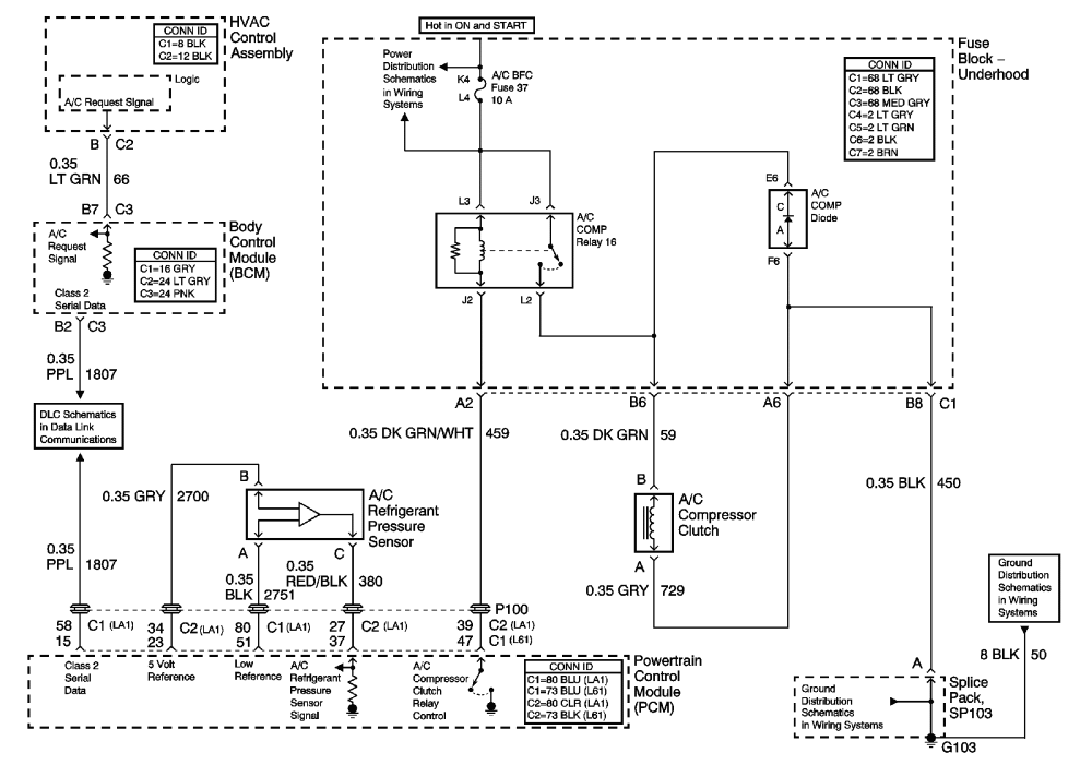
Wiring Diagram PDF: 2002 Lesabre Headlight Wiring Diagram
Oldsmobile Alternator Wiring - Wiring Diagram
wiring diagram chevy truck 1946 diagrams cj2a 1947 chevrolet horn volt generator 1948 ford schematic trucks lincoln cars fleetmaster harness
99 Oldsmobile Alero Engine Diagram - Fuse & Wiring Diagram
oldsmobile diagram intrigue engine alero aurora 2001 wiring parts olds front gm liter gasket 2000 motor cooling called chevy 5l
2002 Oldsmobile Fuse Box | Wire
mk4 fuses wiring fabia cupra obd2 hiace
Wiring Diagram PDF: 2002 Olds Alero Wiring Diagram
alero
Wiring Diagram PDF: 2002 Oldsmobile Bravada Engine Diagram
bravada
Wiring Diagram For 1999 Oldsmobile Alero - Complete Wiring Schemas
oldsmobile alero 1999 secondary diverter valve diagram problems olds wiring
Oldsmobile Alero Fuse Box Diagram

wiring oldsmobile diagram 2002 bravada radio fan harness intrigue 2003 turn signal cooling cherokee alero fuse box fans 1999 justanswer
Ignition Fuse Box - Fuse & Wiring Diagram

Wiring diagram pdf: 2002 lesabre headlight wiring diagram. Wiring diagram pdf: 2002 oldsmobile bravada engine diagram. Oldsmobile diagram intrigue engine alero aurora 2001 wiring parts olds front gm liter gasket 2000 motor cooling called chevy 5l